PROIZVODI
ХКБ3000-ДП Интелигентни предајник диференцијалног притиска
ХКБ3000 - ДП Интелигентни предајник диференцијалног притиска, високо прецизност
Преглед производа
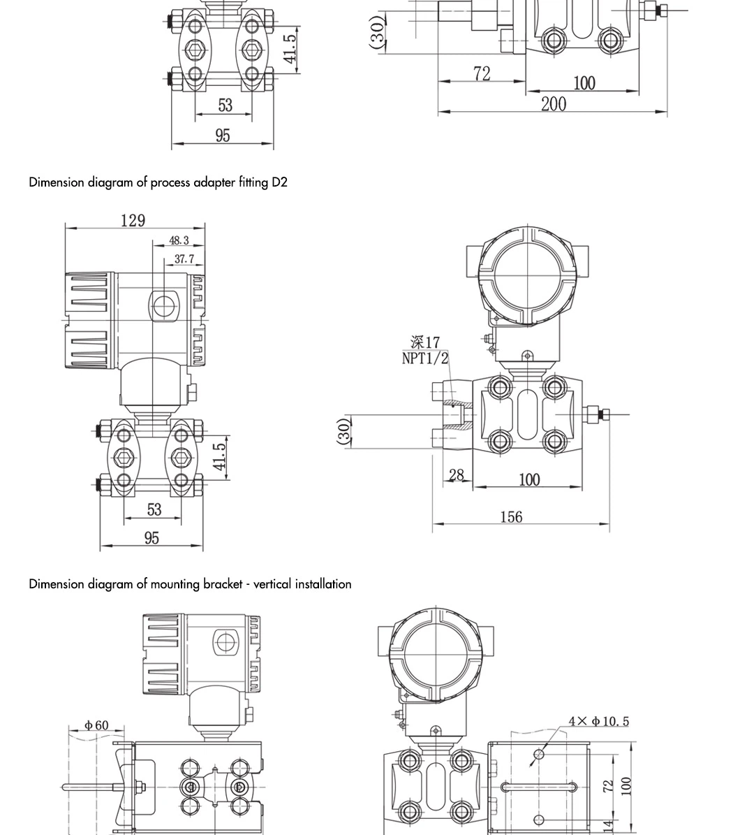
ХКБ3000 - ДП Интелигентни предајник диференцијалног притиска подразумева увезено високи - прецизно монокристално силицијум језгро, погодно за мерење нивоа течности, густине и притиска течности, гасова или паре. Претвара сигнале диференцијалних притиска у 4МА ~ 20МА тренутне сигнале за излаз, уз велику поузданост, дугорочну стабилност, лако одржавање, Блуетоотх комуникација и друге карактеристике.
Функције производа
· Усвајање увезеног високих - прецизних монокристалног силицијумског језгра са нивоом тачности до 0,075
· Једноставан за одржавање, подржава Блуетоотх 5.0 комуникација и мобилни Блуетоотх грешку
· Подршка Стандард Харт Цоммуницатион Протоцол
· Може да подржи РС485 Протокол комуникације
· Сензор усваја двоструку заштитну структуру, која може да издржи
· Високи притисак оптерећења
Апликација производа
· Течност
· Ниво течности гаса или паре
· Густина и притисак






ФАК:
Q:Да ли сте трговачко предузеће?
О: Не, имамо преко 700 запослених у нашој фабрици које има 28 година професионалног производног искуства.
П: Можеш лидонетиОЕМ услуге?
О: Нема проблема.
П: Да ли можетеобезбедитиприлагођенслужбаза не - стандардне апликације?
О: Да, имамо професионални тим за истраживање и развој може прилагодити бирање, нит, предмет .... на основу захтева купаца.
П: Имате ли техничке цртеже или листове података својих инструмената?
О: Да, можемо да испоручимо на захтев купца, контактирајте са продајом.
П: Шта кажете на време испоруке?
О: Вријеме испоруке је 10-45 дана, зависи од врсте производа и количине производа.
П: Да ли типрегледатиПроизводи пре отпреме?
О: Наш КА одељење ће имати 100% инспекцију пре отпреме.
П: Шта јетвојГаранција?
О: ГАРАНЦИЈА од 1 године.
Popularne oznake: ХКБ3000-ДП Интелигентни предајник диференцијалног притиска, добављачи Кина, Произвођачи, фабрика, брендови, велепродаја, ниска цена, јефтина, направљена у Кини
-
Велепродаја целзијусовог термометра од нерђајућег челикаPogledajte više> -
Хонгки Ибн-150 Отпор на тресе Прецизни манометар МанометарPogledajte više> -
Генерал Елецтрицити Цонтацтс Манометар за индустријске, ц...Pogledajte više> -
Итп серија висококвалитетног и вишефункционалног изолацио...Pogledajte više> -
ХКБ3000-ЛП Интелигентни предајник нивоа течностиPogledajte više> -
40мм аксијално монтиран црни пластични суви манометарPogledajte više>














